【 微信扫码咨询 】
标准型脚轮,宽幅型脚轮用的车轮。是橡胶车轮、聚氨酯车轮、尼龙车轮等多种多样的阵容。请根据用途选择。
标准型、宽幅型均可制作耐热性优异的耐热性橡胶和电特性优异的导电性橡胶、路面上难以残留行驶痕迹的灰色橡胶、白色橡胶、红色橡胶。另外,宽幅车轮也有带有防锈的炮金衬套的车轮。
苏州上野机电设备有限公司销售电话:17895046997 刘经理
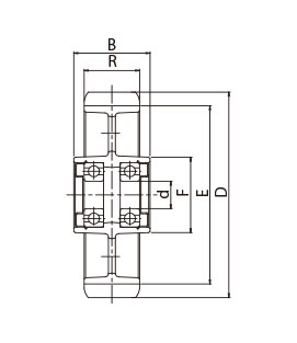
| D | kgf | daN | R | B | d | E | F | ベアリング |
|---|---|---|---|---|---|---|---|---|
| 75 | 160 | 156.8 | 32 | 36 | 10 | 60 | 38 | 6200 |
| 100 | 210 | 205.8 | 32 | 38 | 12 | 80 | 40 | 6201 |
| 130 | 300 | 294.0 | 40 | 53 | 20 | 110 | 55 | 6204 |
| 150 | 350 | 343.0 | 40 | 55 | 20 | 130 | 55 | 6204 |
| 180 | 430 | 421.4 | 45 | 55 | 20 | 160 | 55 | 6204 |
| 200 | 500 | 490.0 | 45 | 55 | 20 | 180 | 55 | 6204 |
| 250 | 650 | 637.0 | 50 | 65 | 25 | 220 | 63 | 6205 |
| 300 | 750 | 735.0 | 50 | 70 | 30 | 270 | 74 | 6206 |
ウレタン車輪(ベアリング入り)です。
75mmの芯金は普通鋳鉄製です。


